Black Silicon Solar Cells from Natcore Technology?
Table of contents
Table of contents
In an article we published last year on solar cells, we highlighted the fact that the current average solar cell efficiency sits at around 15% which is sufficient enough to power a typical house. Natcore Technology is a company that claims to have a solution that could “double the efficiency of cells, while halving the cost”.
About Natcore Technology
New Jersey-based Natcore Technology (CVE:NXT) was founded in 2003 by Andrew Barron, Chair of Chemistry and Professor of Materials Science at Rice University. The company began trading on the Toronto Venture Exchange under the symbol NXT in 2003 and as an ADR on the over-the-counter market under the symbol (OTCMKTS:NTCXF). As of September 30, 2013, Natcore had around $3 million in cash and a deficit of $13 million so far. For the first three quarters of 2013, the company incurred around 2.9 million in expenses and had no revenues.
Technology
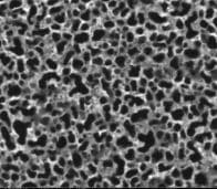
Natcore’s liquid phase deposition (LPD) process is exclusively licensed from Rice University, however, the Company’s FAQ states that the patent has been granted only in Russia and is pending in the U.S., Europe, and other countries. This LPD process makes it possible to grow a wide range of inorganic materials such as silicon dioxide-based films using a room-temperature, environmentally friendly chemical bath, thereby eliminating the need for expensive chemical vapor deposition (CVD) methods currently used in the solar industry. Natcore has been working with the National Renewable Energy Laboratory (NREL) to commercialize a line of black silicon products based on NREL patents and the Natcore LPD process. “Black silicon” refers to the apparent color of the surface of a silicon wafer after it has been etched with nano-scale pores; the black color results from the absence of reflected light from the porous wafer surface.

NREL holds the world record for a cell made with black silicon at 18.6% but they had to make it using a cumbersome process. Natcore will replace that with its LPD process and the combination of the two technologies could significantly exceed NREL’s record cell efficiency. While technology is said to have a number of applications, Natcore is specifically looking to apply its process to create black silicon tandem solar cells that have “double the efficiency at half the cost”.

Theoretical calculations by various independent research groups and published in the open literature show that efficiency of over 30% for tandem solar cells in terrestrial sunlight is possible. In October 2013, an independent study concluded that the process could reduce silicon solar cell production costs by up to 23.5% leading to a cost of about 13¢ per watt.
Since May of 2009, the company has issues 87 press releases, many of which talk about breakthroughs, updates, cost projections, major advancements, technology agreements, leaps forward, strategic alliances, and production tests. Over the past nearly four years, none of these press releases seem to provide specifics about meaningful partnerships that will lead to revenue, specific numbers about the levels of efficiency Natcore’s cell has achieved above-average efficiencies, or anything specific about current production capacity.
In October of 2011 Natcore signed a Letter of Intent to form a joint venture with Italy’s largest solar manufacturer and in May 2011 signed a joint development agreement with the Eastman Kodak Company. In April 2010, Natcore sent sample wafers with anti-reflective coatings to four different international solar cell manufacturers per their request. To date, no additional press releases seem to have provided information on commercial progress that has been made from any of these announcements. Until Natcore actually receives revenues, or provides specifics about when they will expect revenues and from whom, investors can continue to speculate from the sidelines about when the double efficiency and half cost speculations will actually materialize into meaningful revenue numbers.
The article incorrectly implies that Natcore intends on using it processes to one day make tandem solar cells. Natcore intends to license its processes to makers of tandem solar cells so that those makers can reduce their costs of production.
I can’t agree more with your article. For instance, what makes me suspicious about Natcore is like you stated in your article: “In April 2010, Natcore sent sample wafers with anti-reflective coatings to four different international solar cell manufacturers per their request” …. and up to date no news about this – nothing , nada , … it’s 4 years ago … it speaks for itself. Even more, I cannot find this back in their press releases while this was the trigger for me in order to follow this company. I hope I’m wrong but this tells a lot about Natcore. Maybe ask this Natcore’s CEO/CFO/COO … what about this?
Thank you for the comments Lorne and Tom. As Tom said, the article points out that this company seems heavy on press releases but light on the actual follow through.
We are investigating the possibility of producing solar cell panels in South Africa and are very interested in your processes. If licenses are available for the process, we would be interested in testing their efficiency and results. Please contact me right away to start this process and to discuss your participation in equipment required. I am most interested in equipment required and its costs.